尺寸链原理及应用
在机械设计和工艺工作中,为保证加工、装配和使用的质量,经常要对一些相互关联的尺寸、公差和技术要求进行分析和计算,为使计算工作简化,可采用尺寸链原理。尺寸链原理是分析和计算工序尺寸很有效的工具,在制定机械加工工艺规程和保证装配精度中都有很重要的应用
一、尺寸链的定义、组成
定义:尺寸链就是在零件加工或机器装配过程中,由相互联系且按一定顺序连接的封闭尺寸组合。
组成:
环——尺寸链中的每一个尺寸。它可以是长度或角度。
封闭环——在零件加工或装配过程中间接获得或最后形成的环。
组成环——尺寸链中对封闭环有影响的全部环。
组成环又可分为增环和减环。
增环——若该环的变动引起封闭环的同向变动,则该环为增环.
减环——若该环的变动引起封闭环的反向变动。则该环为减环。
尺寸链特性
封闭性:尺寸链必是一组有关尺寸首尾相接所形成的尺寸封闭图。其中应包含一个间接保证的尺寸和若干个对此有影响的直接获得的尺寸
关联性:尺寸链中间接保证的尺寸受精度直接保证的尺寸精度支配,且间接保证的尺寸精度必然低于直接获得的尺寸精度

工艺尺寸链:同一个零件、工序尺寸相关联 装配尺寸链:相关联的不同零件、不同设计尺寸
尺寸链的建立
1、确定封闭环
关键
1)加工顺序或装配顺序确定后才能确定封闭环。
2)封闭环的基本属性为“派生”,表现为尺寸间接获得。
要领
1)设计尺寸往往是封闭环。
2)加工余量往往是封闭环(靠火花磨除外)。
2、组成环确定
关键
1)封闭环确定后才能确定。
2)直接获得。
3)对封闭环有影响
确定封闭环注意:
1)零件尺寸链的封闭环应为公差等级要求最低的环,一般在零件图上不进行标注,以免引起加工中的混
乱。
2)在确定封闭环之后,应确定对封闭环有影响的各个组成环,使之与封闭环形成一个封闭的尺寸回路。
3)在建立尺寸链时应遵守“最短尺寸链原则”,即对于某一封闭环,若存在多个尺寸链时,应选择组成
环数最少的尺寸链进行分析计算。
※※增、减环判别方法
在尺寸链图中用首尾相接的单向箭头顺序表示各尺寸环,其中与封闭环箭头方向相反者为增环,与封闭环
箭头方向相同者为减环。
【回路做图法】

回路法作图注意
a 明确工艺要求
b 从封闭环开始,找出与之关联尺寸
c 形成封闭图形
d 判别增、减环
二、尺寸链的分类
1、按应用范围分类
1)工艺尺寸链——全部组成环为同一零件工艺尺寸所形成的尺寸链。
2)装配尺寸链——全部组成环为不同零件设计尺寸所形成的尺寸链。
3)零件尺寸链——全部组成环为同一零件设计尺寸所形成的尺寸链。
4)设计尺寸链——装配尺寸链与零件尺寸链,统称为设计尺寸链。
2、按几何特征及空间位置分类
1) 长度尺寸链—全部环为长度的尺寸链
2) 角度尺寸链—全部环为角度的尺寸链
3)直线尺寸链—— 全部组成环平行于封闭环的尺寸链。
4)平面尺寸链—— 全部组成环位于一个或几个平行平面内,但某些组成环不平行于封闭环的尺寸链。
5) 空间尺寸链——组成环位于几个不平行平面内的尺寸链。
三、尺寸链的计算几种情况
(1)正计算——已知各组成环,求封闭环。
(2)反计算——已知封闭环,求各组成环。
(3)中间计算——已知封闭环和部分组成环的基本尺寸及公差,求其余的一个或几个组成环基本尺寸及公差(或偏差)。(中间计算可用于设计计算与工艺计算,也可用于验算。)
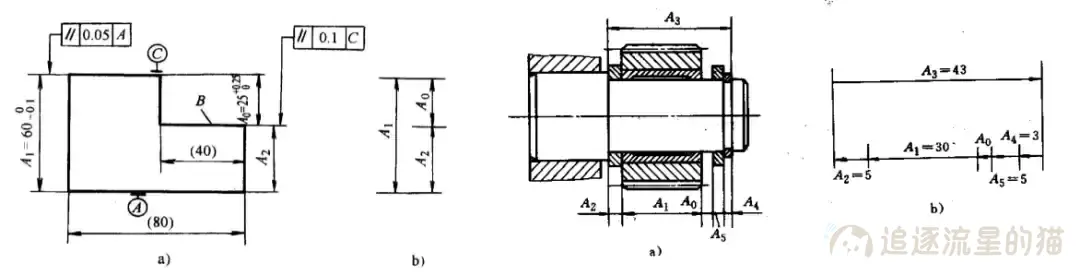
工艺尺寸链:由单个零件在工艺过程中的有关尺寸所形成的尺寸链。
例如:在加工中形成的尺寸链——工艺尺寸链
尺寸链计算是根据结构或工艺上的要求,确定尺寸链中各环的基本尺寸及公差或偏差。
计算方法有两种:
极值法(也称极大极小法):它是以各组成环的最大值和最小值为基础,求出封闭环的最大值和最小值。
概率法:它是以概率理论为基础来解算尺寸链。
一、直线尺寸链的计算
(1) 极值法各环基本尺寸之间的关系
封闭环的基本尺寸A0等于增环的基本尺寸之和减去减环的基本尺寸之和,即

(2)各环极限尺寸之间的关系
封闭环的最大极限尺寸A0max等于增环的最大极限尺寸之和减去减环的最小极限尺寸之和,即

封闭环的最小极限尺寸A0min等于增环的最小极限尺寸之和减去减环的最大极限尺寸之和,即











没有回复内容